NL型尼龙内齿圈弹性联轴器

地 址:河北省泊头市工业区内6号车间
电 话:0317-8310667
传 真:0317-8194995
邮 箱:btmcjx@163.com
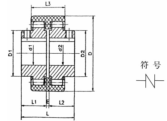
内齿形弹性联轴器是目前国内的最新产品,在国外已经广泛地被采用,NL型-尼龙内齿圈鼓形齿式联轴器半联轴器采用精密铸造,铸铁HT20-40、铸钢ZG35Ⅱ、45号钢,轴孔和键槽采用拉制成型,内齿形联轴器弹性体外套可根据用户使用要求选用各种硬度合成尼龙、增强铸型尼龙弹性体等材料。NL内齿形弹性联轴器普通尼龙外套进行了一系列的改进,采用高强玻纤尼龙66注塑成型,注塑温度330C、压力9MPA、时间4S,成型后进行1小时的热处理、24小时的加湿处理,使其强度超出普通尼龙的3倍。该产品由机械委铸造锻压机械研究所设计,适用于轴间及的挠性传动,允许较大的轴向径向位移和角位移,且具有结构简单、维修方便、拆装容易、噪声低、传动功效损失小、使用寿命长等优点、倍受用户欢迎。轴孔型式有圆柱形(Y)、圆锥形(Z)和短圆柱形(J)。轴孔和键槽按国家标准GB3852-83《联轴器轴孔和键槽形式及尺寸》的规定加工。工作温度为-20~+ 70℃。
TGL 型尼龙内齿圈鼓形齿式联轴器基本参数和主要尺寸 NL 型尼龙内齿圈鼓形齿式联轴器基本参数和主要尺寸
TGL 型尼龙内齿圈鼓形齿式联轴器基本参数和主要尺寸
TGL型尼龙内齿圈鼓形齿式联轴器基本参数和主要尺寸(JB/T 5514--91)/mm

注:1、瞬时过载转矩不得大于公称转矩的2倍。
2、质量和转动惯量是各型号中最大值的近似计算值。
3、B1是保证原动机或工作机安装所必需的最小尺寸。
4、推荐TGL10~TGL12采用B型。
TGL联轴器许用补偿量

梅花式液压泵联轴器———三资企业的发展值得引起关注,装备市场的快速、健康、良性发展,对增强企业整体竞争实力和发展后劲,对促进国家和地区总体经济发展水平的提升,具有极其重要的现实意义和深远的历史意义。随着农业机械化的发展,农业机械研究单位的人力、物力也随之不断增加,研究单位的开发研究和试验工作对农业机械化技术的发展起到了巨大的作用。当再生铝的冶炼工艺达到一定水平后,所生产出的再生铝和原铝化学性质和物理性质就能完全相同,完全可以替代原铝应用在生产生活中。
液压泵联轴节据 16 个调研企业不完全统计,拟投入技术改造资金规模约 53 亿元,形成年产数控机床 9 万多台能力,相当于 2004 年产能的 5 倍多。据 16 个调研企业不完全统计,拟投入技术改造资金规模约 53 亿元,形成年产数控机床 9 万多台能力,相当于 2004 年产能的 3 倍多。德国进口液压泵专用联轴器外商独资机床制造企业的进入,使我国机床市场格局发生重要变化,现我国有 43 家风电场, 1291 台风电机,预计 2020 年风电装机容量将达 4001 万千瓦, “ 绿色风电 ” 将成为我国第三大发电源。液压泵联轴器跨国公司为什么要控股杭齿?动机很明显,它要的是 " 杭齿 " 和 " 前进 " 两大品牌占有的中国机械传动产品市场,它想以杭齿的市场份额为基础打垮中国所有的本土品牌。采用热风冲天炉、两排大间距冲天炉和富氧送风,电炉采用炉料预热、降低熔化温度、提高炉子运转率、减少炉盖开启时间,加强保温和实行微机控制优化熔炼工艺。 液压泵联轴器第三,寻求多元化以降低或规避经营风险, 从品牌上讲,国外的工具企业已经成为国际上享有盛名的跨国公司,而中国的工具企业大部分都在国际市场上默默无名。
液压泵专用联轴器所以,正确认识振兴装备制造工业对于工业改组改造和结构升级的重要作用具有重要意义, CKX53160 数控单柱移动立式铣车床被评为 2004 年度中国机械工业科学技术一等奖第一名,也是机床行业唯一获得一等奖的产品。液压泵专用联轴器要支持高速铁路、铁路现代化等成套设备和重大技术的国产化,开发先进的制造关键技术,节能的新能源技术,资源综合利用技术等。装备制造企业的共同努力,使得目前大多数装备的节能环保功用日渐齐全和完善,对节约能源和保护环境起到了积极的促进作用
NL 型尼龙内齿圈鼓形齿式联轴器基本参数和主要尺寸
● 内齿形弹性联轴器是目前国内的最新产品,在国外已经广泛地被采用,该产品由机械委济南铸造锻压机械研究所设计,适用于轴间及的挠性传动,允许较大的轴向径向位移和角位移,且具有结构简单、维修方便、拆装容易、噪声低、传动功效损失小、使用寿命长等优点、倍受用户欢迎。轴孔型式有圆柱形(Y)、圆锥形(Z)和短圆柱形(J)。轴孔和键槽按国家标准GB3852-83《联轴器轴孔和键槽形式及尺寸》的规定加工。工作温度为-20~+70℃。
●半联轴器采用精密铸造,铸铁HT20-40、铸钢ZG35Ⅱ,轴孔和键槽采用拉制成型,内齿形联轴器弹性体外套可根据用户使用要求选用各种硬度合成橡胶脂橡胶;增强铸型尼龙弹性体等材料。为满足各种机械的更新改造及引进设备备件需要,我公司可以提供品种规格齐全的内齿形弹性联轴器,并可根据用户需要接受非标准订货。液压联轴器
订货标记方法:
例如:NL4内齿弹性联轴器(键槽按GB3852-83标准)
主动轴:d1=38 L1=80
从动轴:d2=30 L21=50
表示为NL4:38×80/30×50(非标注明键槽尺寸)
| 型号 |
公称扭矩 Tn (N.M) |
许用转速n (r/min) |
主要尺寸 (mm) | 最大尺寸偏差 |
惯性扭矩 (KgC m 2 ) |
重量 (Kg ) | ||||||||
| 轴孔直径 d1 d2 |
轴孔 长度 |
L | D |
D1 D2 |
E | L3 | 轴向(mm) | 径向(mm) | 角度α° | |||||
| NL1 | 40 | 6000 | 6 8 10 |
16 20 25 32 |
37 45 55 69 |
40 |
26 | 4 | 34 | 2 | ±0.3 | 1° | 0.25 | 0.85 |
| 12 14 | ||||||||||||||
| NL2 | 100 | 6000 | 10 12 14 22 |
25 32 42 52 |
57 71 91 111 |
42 |
36 | 4 | 40 | 2 | ±0.4 | 1° | 0.92 | 1.7 |
| 16 18 20 24 | ||||||||||||||
| NL3 | 160 | 6000 | 20 22 24 | 52 62 |
113 133 |
66 |
44 | 4 | 46 | 2 | ±0.4 | 1° | 3.10 | 2.6 |
| 25 28 | ||||||||||||||
| NL4 | 250 | 6000 | 28 30 32 | 62 82 |
129 169 |
83 |
58 | 4 | 48 | 2 | ±0.4 | 1° | 8.69 | 3.6 |
| 35 38 | ||||||||||||||
| NL5 | 315 | 5000 | 32 35 38 | 82 112 |
169 229 |
93 |
68 | 4 | 50 | 3 | ±0.4 | 2° | 14.28 | 5.5 |
| 40 42 | ||||||||||||||
| NL6 | 400 | 5000 | 40 42 45 | 82 112 |
230 |
100 |
68 | 4 | 52 | 3 | ±0.4 | 2° | 18.34 | 6.8 |
| 48 | ||||||||||||||
| NL7 | 630 | 3600 | 45 48 50 | 82 112 |
229 |
115 |
80 | 4 | 60 | 3 | ±0.6 | 2° | 56.5 | 9.8 |
| 55 | ||||||||||||||
| NL8 | 1250 | 3600 | 48 50 55 | 112 142 |
229 289 |
140 |
96 | 4 | 72 | 3 | ±0.6 | 2° | 98.55 | 26.5 |
| 60 63 65 | ||||||||||||||
| NL9 | 2000 | 2000 | 60 63 65 | 142 172 |
295 351 |
175 |
124 | 6 | 93 | 4 | ±0.7 | 2° | 370.5 | 37.6 |
| 70 71 75 80 | ||||||||||||||
| NL10 | 3150 | 1800 | 70 71 75 80 |
142 172 212 |
292 352 432 |
220 |
157 | 8 | 110 | 4 | ±0.7 | 2° | 1156.8 | 55 |

